Prima di fare acquisto verificare disponibilità inviando whatsapp! Alcuni prodotti potrebbero essere temporaneamente non disponibili o alcuni potrebbero aver avuto incrementi di prezzi



Tecnica e cultura

Quando il raschiaolio “spiral” non esiste più: cosa significa davvero e qual è l’unica strada seria

Pubblicato da king of piston il

Per anni, molti motori hanno montato pistoni con raschiaolio a spirale (ROF spiral).Era una soluzione raffinata: la geometria elicoidale non si limitava a “lasciare scappare” l’olio, ma lo convogliava attivamente verso i fori di scarico, stabilizzando il film lubrificante sulla canna. Oggi, per alcune applicazioni e soprattutto per determinate altezze fascia, quei pistoni non vengono più prodotti. Non è una scelta romantica: è una questione industriale. Domanda ridotta, costi elevati, standard moderni diversi. La domanda allora è semplice:cosa succede quando lo spiral non si trova più? Spiral vs Feritoia: la differenza che conta 🔹 Raschiaolio a spirale Geometria elicoidale attiva...

Leggi di più →


Mono o bifascia?

Pubblicato da king of piston il

MONO  O BIFASCIA? Quali le differenze e quali scegliere? Pistone monofascia Una sola fascia elastica (solitamente in ghisa o acciaio trattato) Minore attrito Minore peso alternato Migliore risposta ai regimi alti Usura più rapida Pistone bifascia Due fasce elastiche Maggior tenuta dei gas (compressione più costante) Maggiore durata del pistone Leggero incremento di attrito Più adatto a regimi medi e lunghi viaggi 🏁 Quando montare uno al posto dell’altro? 🟡 Pistone monofascia – per chi cerca le prestazioni Uso sportivo o da gara Ottimo per salite, prove in cronoscalata, gare tipo regolarità, pista o accelerazione Dove ogni giro motore deve...

Leggi di più →


PISTONI GOL. Grazie di esserci.

Pubblicato da king of piston il

“Un bravo rettificatore, un olio adeguato… e puoi montare qualsiasi pistone ben fatto.”L’abbiamo sentito dire a Novegro, da un veterano delle due ruote, rispondendo a un cliente che chiedeva solo pistoni Asso.Una frase semplice, ma illuminante.Perché dice ciò che molti evitano di ammettere:Il problema, spesso, non è il pistone… ma chi lo monta. Il problema non è mai “il pistone”. La verità? Molti problemi derivano da errori di montaggio o da approcci vecchi a tecnologie nuove.Alcuni rettificatori, pur in buona fede, lavorano ancora su dati d’epoca, riferiti a pistoni Mondial o Borgo, che avevano leghe completamente diverse. E ancora: oli...

Leggi di più →


Misure biella

Pubblicato da king of piston il

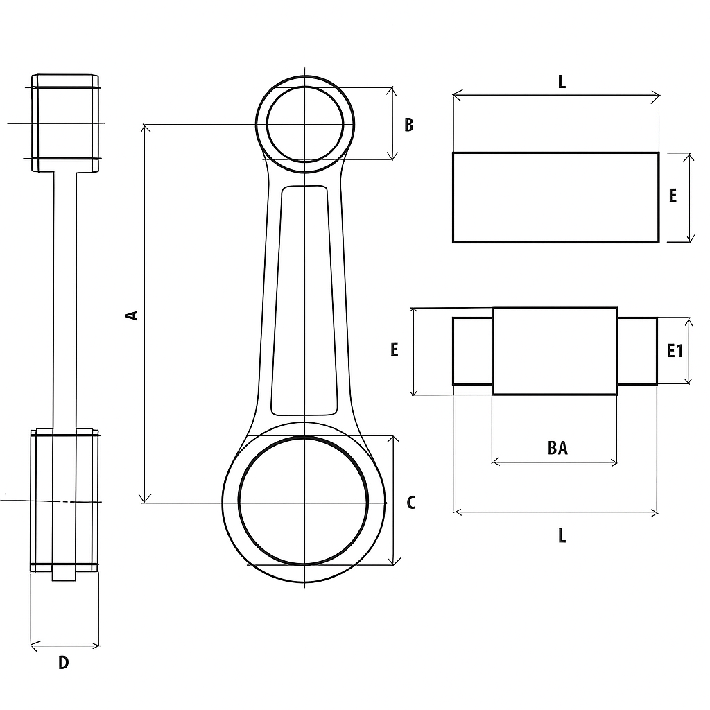
Come individuare la biella corretta Per aiutarti a identificare con precisione la biella adatta al tuo motore, abbiamo messo a disposizione uno schema tecnico dettagliato. A cosa serve questo schema? L'immagine che vedi sopra mostra le principali misure necessarie per identificare correttamente una biella. Ogni lettera fa riferimento a una quota fondamentale: A – Interasse (da centro foro a centro foro) B – Diametro spinotto C – Diametro foro testa grande D – Rasamento E / E1 – Diametro asse BA / L – Lunghezze asse Queste misure sono essenziali per trovare la biella compatibile con il tuo pistone o...

Leggi di più →


Quote e come misurare pistone e quote

Pubblicato da king of piston il

Per identificare il pistone è necessario  comunicare le seguenti quote: Se pistone a 2 tempi verificare SEMPRE la posizione del fermo grani!   Verifica diametro pistone vecchio. Come rilevare il diametro: Capita spesso che un utente riceva un pistone — nuovo o usato — e non sappia dove rilevare correttamente il diametro.Il rischio è di misurare nel punto sbagliato (ad esempio al centro o sul cielo), ottenendo un valore errato che porta a montaggi scorretti, giochi fuori tolleranza o addirittura grippaggi. Il diametro del pistone non si misura ovunque: esiste un solo punto valido, riconosciuto da costruttori e manuali tecnici....

Leggi di più →